模型飞机电池
航空产品,玩具,电动工具,机器人,无人机,电动滑板车等动力产品。
您可能还喜欢这些产品
共模电感和差模电感之间的差异什么是电感电感是闭合电路的一个属性,这意味着当通过闭合电路的电流发生变化时,出现一个电动势来抵抗电流的变化。这种类型的电感被称为自感,
- 干电池和超级电容技术
据了解,干电池技术就是干法电极工艺技术,可以提升电池能量密度和提升电池稳定性,很明显会提升续航里程和安全性,并且可以降低成本。 再加上超
2512 10毫欧 1% 2W 3W合金电阻在电池保护板中的应用合金电阻2512 0.01r在电池保护板中的应用合金电阻也可称为电流检测电阻、采样电阻、超低电阻和大功率电阻,也称为精密电阻。 一般具有低电阻、高精
- 3D建模
可以使用 CAD 软件包或使用普通数码相机和摄影测量软件的 3D 扫描仪来塑造可打印的 3D 模型。3D 扫描程序评估和保存数字数据,并使其具体化为真实物体
共模电感共模电感,也称为共模扼流圈,通常用于过滤计算机开关电源中的共模电池干扰信号。在板卡的设计中,共模电感还起到EMI滤波的作用,用于抑制高速信
差模电感差模电感是闭合回路的一个属性,即当通过闭合回路的电流变化时,电动势将出现抵制电流变化的现象。这种电感称为自感,这是闭合回
共模电感由于EMC面临的大多数问题都是共模干扰,共模电感器通常被用作有力元件之一。共模电感器是一种带有铁氧体磁芯的共模干扰抑制装置。
用于分析和改进锂离子电池效率和寿命的 Precision Bulk Metal® Z 箔电流检测电阻器Bulk Metal® Z-Foil 电流检测电阻器的使用显着降低了噪声水平,从而显着提高了用于测试和改进锂电池的高精度和超高精度充电器的准确度- 离子电池的效率
共模电感磁芯材质共模电感作为一款使用频率非常高的一种电感产品,在各类电子产品中具有非常重要的作用。大家对于共模电感的讨论一直以来也比较多,比如被讨论的
共模电感的工作原理流过共模电流时磁环中的磁通相互叠加,从而具有相当大的电感量,对共模电流起到抑制作用;而当两线圈流过差模电流时,磁环中的磁
电源模块为什么要选慢断保险丝快速熔断保险丝只要通过的电流超过其额定值,它就会立即熔断,这只能用于短路保护,而慢熔丝在电路中出现非故障脉冲电流时将保持完好,对长
共模电感在制作时应满足什么要求1、绕制在线圈磁心上的导线要互相绝缘,以保证在瞬时过电压作用下线圈的匝间不发生击穿短路;2、当线圈流过瞬时大电流时,磁心不要出现饱和;3、
- 合金采样电阻封装类型详解:从选型到应用优化
合金采样电阻常见封装类型对比分析不同封装形式直接影响电阻的电气性能、散热能力及安装方式,合理选择封装是保障系统可靠性的关键。1. 表面贴装
SGM5347-8数模转换器和输出放大器SGM5347-8具有8通道8位数模转换器(DAC)和输出放大器。输出放大器提供高电流驱动能力数字数据通过串行链路总线输入三条控制线可以使用级联连接除了
- 金属材质电流传感器:原理、选型与典型应用场景解析
金属材质电流传感器:原理、选型与典型应用场景解析金属材质电流传感器是现代电力电子系统中不可或缺的关键组件,尤其在高功率、高精度电流监测
SGM2260低电压低导通电阻模拟开关SGM2260是一种双SPDT(单刀双掷)、TTL/CMOS兼容模拟开关工作电压为1.8V至4.3V,可通过USB低速和全速信号具有低导通电阻、低电压和快速切换时间的特点。高
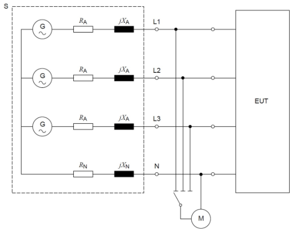
用于公共供电网络阻抗模拟的低电感功率电阻器对于闪烁测量(= 电压波动测量),根据标准 IEC 61000-3-3 和 IEC 61000-3-11 需要阻抗。图 1 显示了典型的闪烁测量测试设置。被测设备 (EUT) 连接到具有阻抗Z
- 天二、天二天二配天四:揭秘高效协作模式的底层逻辑
引言:从数字组合看团队协同新范式在现代组织管理与项目协作中,‘天二、天二天二配天四’这一看似神秘的术语逐渐成为高效团队运作的代名词。它
- 膜型电阻的分类与选型指南:金属膜、碳膜与金属氧化膜详解
膜型电阻的分类与选型指南:金属膜、碳膜与金属氧化膜详解膜型电阻是现代电子电路中最常见的电阻类型之一,按薄膜材料不同可分为碳膜电阻、金属
高精密电阻器 模压封装金属膜高精密电阻器 - EE 系列模压封装金属膜高精密电阻器 - EE 系列EE 系列属于基本型的超精密电阻,模压封装,25°C ~ 85°C,测试条件下温度系数最高可到 ±2 PPM/°C,最低阻值覆盖至
