开路电流互感器
系统。安装时,两个半环固定在分相电缆上,与环箍紧紧系在一起,并与电缆集成在一起。
它和谐而美丽。可以应用35k2-400mm2 10kV和35kV电缆。
箍由不锈钢箍制成。
您可能还喜欢这些产品
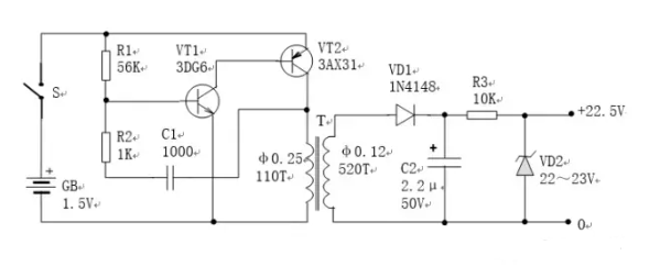
电感直流升压电路工程师必备:六种常见的DC-DC升压电路万用表是从事电工、电子技术工作者的必备工具,它的高阻挡通常使用一块9V、15A或22.5V的叠层电池。这种电池不但
直流升压电路中电感的作用电感元件在直流电路中的作用我们平常所说的直流或者说常识中的是稳恒直流,也就是电流大小和方向均不随时间变化,长这样:稳恒直流电其实,只要
- 分流电阻与保险丝在交流直流电路中的应用差异解析
分流电阻与保险丝的基本概念分流电阻(Shunt Resistor)是一种用于测量电流的精密电阻,通过其两端的电压降来推算流经的电流值。而保险丝(Fuse)则是
- 分流器电阻与分流电阻器的原理及交流直流应用差异解析
分流器电阻与分流电阻器的基本概念分流器电阻(Shunt Resistor)是一种用于测量电流的精密电阻元件,其核心作用是将大电流按比例分流,从而在低电压
- 如何连接交流电感器
如何连接交流电感器为什么电感器被交流电和直流电分开?1.间歇性通信:当通信信号通过线圈时,线圈两端会产生自感电动势,自感电动势的方向与施
- 如何优化电流感应芯片电阻的电路设计?实用技巧全解析
优化电流感应电阻电路设计的五大关键点1. 选择合适的阻值以匹配芯片量程电流感应芯片通常有最大允许压降(如100mV),因此需根据预期最大电流计算
- 如何正确选择分流电阻器?从交流到直流的全面对比指南
分流电阻器的核心参数解析在现代电子系统中,分流电阻器是实现电流传感的关键器件。其性能直接影响测量系统的准确性与可靠性。以下是关键参数说
- 如何正确选择分流电阻与保险丝应对交直流电路需求
交直流电路中元件选型的核心考量在电力电子、新能源、工业控制等系统中,正确选择分流电阻与保险丝是保障系统安全与测量精度的关键。分流电阻的
SGM8193高精度纳米功率电流传感放大器SGM8193系列是一款纳米功率、高精度、高侧电流传感放大器。该器件仅消耗1.2μA(最大)静态电流。它具有60μV(MAX)低偏置电压,允许在非常低的50mV满量
线性光电耦合器A7840电流检测电路的应用线性光耦合器A7840在普通应用过程中广泛应用于检测电路、电子电路等电路系统。本文将结合一个线性光耦合器A7840的实际应用案例,为刚开始接触电路系
- OPTIGA™连接与频率产品:构建安全智能互联的基石
OPTIGA™连接与频率产品:构建安全智能互联的基石在物联网(IoT)快速发展的今天,设备之间的互联互通已成为推动智慧生活与工业自动化的核心驱动力
电容器对交流和直流的作用电容的“通交流、阻直流”“通交阻直”是电容重要的特性之一,即电容可以交流电导通,但直流电阻断。这是为什么呢?从理论上来讲,电荷是根本不
电容器通直流阻交流的原因电容器的一个重要特性是通直流阻交流。这是为什么呢?理论上,电荷根本不能在电容器中流动。因为在给平行板电容器通电后,一个板携带正电荷,另
- 为什么电容器通交流阻直流
为什么电容器可以通过交流电阻直流?电容器是储存电荷的部件。它可以为交流信号提供阻抗,为直流信号提供开路。电容器是由两个电极组成的部件,
电容器通交流阻直流的原因为什么电容器通交流阻直流?在介绍电容器特点的时候,相信很多人都听说过通交、阻直,通高、阻低,你知道是什么意思吗?它指的意思就是电容器可
- 电流感应金属贴片电阻CSM:高精度电流检测的核心元件解析
电流感应金属贴片电阻CSM:高精度电流检测的核心元件解析在现代电子系统中,电流的精确监测对于保障设备安全、提升能效至关重要。作为关键传感元
贴片电容击穿是开路还是短路贴片电容器发生击穿有两种可能的情况:开路和短路。1.开路情况:当芯片电容器发生击穿时,可能会发生开路。意思是在正常工作条件下,电流不能通
贴片电容击穿是开路还是短路电容器的电介质所承受的电场强度有一定的限制。当束缚电荷脱离原子或分子的束缚参与传导时,绝缘性能被破坏。这种现象称为介质击穿。电容器击穿
- 如何在集成电路中实现大电感?关键技术路径解析
如何在集成电路中实现大电感?关键技术路径解析在集成电路设计中,实现大电感一直是技术难点之一。传统方法依赖外部贴片电感,但会增加系统尺寸
- 金属材质电流传感器:原理、选型与典型应用场景解析
金属材质电流传感器:原理、选型与典型应用场景解析金属材质电流传感器是现代电力电子系统中不可或缺的关键组件,尤其在高功率、高精度电流监测
